2004 Hyundai Elantra Won't Start Hyundai elantra wiring harness

If you are looking for 2014 Hyundai Sonata intermittent start problem | Doovi you've came to the right place. We have 9 Images about 2014 Hyundai Sonata intermittent start problem | Doovi like 2004 HYUNDAI WoN't Start....Elantra....Clicks....No Crank...Solved, 2004 Hyundai Xg350 Fuel Filter Location : Where Is The Fuel Filter and also 2004 Hyundai Xg350 Fuel Filter Location : Where Is The Fuel Filter. Here you go:

2014 Hyundai Sonata Intermittent Start Problem | Doovi

2014 Hyundai Sonata intermittent start problem | Doovi www.doovi.com

sonata intermittent

Ignition Lock Cylinder Replacement Hyundai Sonata 2007 | Doovi

Ignition lock cylinder replacement Hyundai Sonata 2007 | Doovi www.doovi.com

ignition lock cylinder remove key without sonata hyundai replacement 2007 mk3 supra toyota

2004 HYUNDAI WoN't Start....Elantra....Clicks....No Crank...Solved

2004 HYUNDAI WoN't Start....Elantra....Clicks....No Crank...Solved www.youtube.com

Wiring Diagram PDF: 2002 Hyundai Santa Fe Fuel Filter Location

Wiring Diagram PDF: 2002 Hyundai Santa Fe Fuel Filter Location wiring-pdf.blogspot.com

wiring

2004 Hyundai Xg350 Fuel Filter Location : Where Is The Fuel Filter

2004 Hyundai Xg350 Fuel Filter Location : Where Is The Fuel Filter deixonastuasmaos.blogspot.com

searchforparts xg350

2010 Hyundai Sonata Starter Location

2010 Hyundai Sonata Starter Location hyundaisonata-2011.blogspot.com

sonata fuse gls crankshaft partment simpan

NISSAN TIIDA NISSAN VERSA C11 2004 2010 REPAIR MANUAL - Auto Electrical

NISSAN TIIDA NISSAN VERSA C11 2004 2010 REPAIR MANUAL - Auto Electrical ewiringdiagram.herokuapp.com

tiida c11

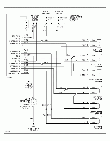
Hyundai Elantra Wiring Harness

Hyundai Elantra Wiring Harness www.tankbig.com

elantra hyundai harness wiring

2002 Hyundai Sonata Cam Sensor Wiring Diagram - Wiring Diagram

2002 Hyundai Sonata Cam Sensor Wiring Diagram - Wiring Diagram wiringdiagram.2bitboer.com

sensor sonata camshaft

2004 hyundai won't start....elantra....clicks....no crank...solved. 2004 hyundai xg350 fuel filter location : where is the fuel filter. Sonata intermittent


Komentar

Postingan populer dari blog ini

Pay To Drive Hyundai Usedcarsouthafrica germiston gls r2 crdi 4x4 fe santa gauteng hyundai africa south

2006 Hyundai Sonata Esc Off Light Isg startstop

genesis g80 2021 hyundai genesis coupe Genesis coupe g60 2021 release date redesign cars